UCF10レクサスEUR仕様4灯式ヘッドライト(Loビーム.Hiビーム別体式)

EUR仕様ヘッドに交換し、Hi /Loのヘッドライトがそれぞれ独立していて
国内セルシオのヘッドライトとは違った引き締まった顔つきになります。
フロント全体の雰囲気はこんな感じ、独特の顔つきに変身です。

EUR仕様ヘッドライトのアップの写真です。
国内仕様・US仕様との違いは内側のライトが
Hiビームになっている事で、レンズもHiビーム
用にカットされています。
ライトを上から見た写真、国内仕様との違いは
外側・内側のランプのハウジングが別体になっ
ている事がお分かりいただけると思います。
::

国内仕様とはハウジングから異なり、国内フォグに
あたるHiビーム側はH1バルブが入り、Loビームは
国内仕様同様H4バルブが入ります。
::
EUR仕様のLoビームは国内仕様のLoビームと異なり、レフレクターで反射させて照射。
矢印の部分がレフレクターで、国内仕様には付いていませんのでレンズ越しの表情も異なります。
Hiビーム側のソケットは、国内仕様のフォグのソケットは大きさが異なるので装着不可です。
H1バルブが装着されています。
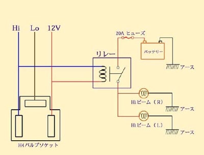
Hi/Lo別体式ヘッドライト装着に伴うHiビ-ム独立配線図へ
HPをご覧いただいている皆さんより、よくご質問をいただくので
図解させていただきます。参考になれば幸いです。
※協力・CS_Oさん
●作業時間:30分位(配線加工は含まず)
●取付け難易度:★★☆☆☆
●満足度:★★★★★
●コメント
このライトを付けると、顔付きががらりと変わります(^^)。交換をお考えの方にはEUR仕様バンパーとセットでの交換をおすすめします。Hi/Lo別体なので個別に光らせる為には配線加工は必要になり、私にはそのような加工が出来ませんので、配線加工はC.S_Oさんにお願いして施工していただき、Hiビーム使用時にはメーター内のハイビームインジケーターもしっかり点灯してくれます。

外装部品一覧
内装部品一覧
機能追加部品一覧
その他部品一覧
掲示板へ
オフレポート一覧へ
リンク一覧へ
更新履歴へ
メール作成へ