UCF10 LS400 へッドライトレベリングモーター 情報収集の部屋

まずはご挨拶・・・
ようこそ、このページは『セルシオ改良の部屋』の裏ページで関係者だけのむっちゃマニアックで
レア-なページ。目的は私のセルシオにEURヘッドライト・レベリング機能取り付ける為のミーテ
ィングルームです。ここに掲載されている写真や資料を元にみなさんといろいろと談議したいろ思
っております。ちなみに左のレクサス画像は私の最終目標の外観と言う事で、本文となんら関係ご
ざいません(な~なやそれ!!)んん~でもカッコよすぎる・・・・・
ちなみに私もEURナンバーフレーム購入済みです!!

いや~すみません個人的な趣味で・・・・
はやく本題に行けって怒らないでね!!
『ブロンズガラスならこの色で決まりでしょ』

では本題に入っていきましょう~!!
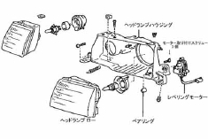
資料-1
ジェニュインさんから添付いただいたライトの
分解構成図です。
レベリングモーターの取り付け位置に注目です!
現状のヘッドのままでモーターの追加のみで対応
できれば言う事なしなんですが如何なもんでしょうね~
資料-2
私のヘッドライトの裏側です。
ちょうど上記資料のレベリングモーターの位置が、
画像右手前になります。
よ~くみるとシャフトらしきものがみえますね!!
資料-3
別の角度からのショット、シャフトらしきものが
よりわかりやすく確認できるとおもいます。
資料-4
よりアップの画像。
なんかモーターの取り付けだけでいけそうかな??
と思いきや・・・・・
『一応、ロービーム側もレベライザーありとなしでは
違うで、ヘッドランプの裏側も確認したいところです。
ちなみに画像のベアリングはレベライザーなしにも付
いています。』との事です・・・・ ウ~残念
資料-5
なんとなくいけそうな感じ!!
参加者のみなさんはどう思いますか??
パーツショップジェニュインさんの情報によると・・・
レベリングの配線図等はありません。
ハリアー等は確かオートではなくマニュアルのレベライ
ザーだったと思いますので、その辺で流用できるのでは
ないかと思います。
パーツショップジェニュインさんの情報によると・・・
(その1)
『右ハンドル用はセルシオを除いて3種類あります。
右ハンドルヨーロッパ仕様のレベリングありとなし、オーストラリア仕様(レベリングなし)の3種類です。その他(香港、シンガポール、南アフリカ等)はヘッドランプに関しては、オーストラリア仕様に準じます。』との事で左側の簡単な表にして添付してくださいました。
この表をみて上記写真をみると、レベリングモーターのみで対応できそうな雰囲気に思ってしまうのは私だけでしょうかね??
続きでこんなコメントが『ハウジングとはヘッドランプ裏側のブラケット(ステー)のことです。ヨーロッパ仕様右ハンドルレベリングなしのヘッドランプに、レベリングあり用ロービームとレベリングモーターを追加すれば、レベリングありと同等になると思います。(あくまでも未確認です)ロービームはモーターと連動して動くようになっているかいないかの違いだけなのか、レンズカットそのものが違うのかはわかりません。ハイビームは全種類共通です。モーター及びロービームは単品での取り寄せは可能かと思いますが、価格はまだわかりません。』との事です。
パーツショップジェニュインさんの情報によると・・・
(その2)
『あくまでも推測です』つまり、EURレベリングありのレベリングモーターを外したのが、EURレベリングなしで、レベリングモーターがうまく付かない事を考えると、mitsuakiさんのヘッドランプはARL仕様ではないかと・・・。
ロービームが共通なら、EURレベリングなしとARLは見た目ほとんど同じなので、UKとして販売していたのかも知れません。
普通、レベリングモーターをつけたいと思う人はまずいないと思いますし・・・。
このように考えると自分の頭の中では非常に辻褄があいます。
構成図を見る限りでは、ハウジングにエーミングギヤが付いているように見えるので、おそらくハウジングをレベリングあり用に交換すればいけるのではないかと思います。で、ハウジングの価格ですが以外と安く、とりあえず片側1個だけでも取り寄せて見たいと思います。これでうまくいけば、ヘッドランプを交換するより安く済みます。
5/12パーツショップジェニュインさんの情報によると・・・
パーツショップジェニュインさんからのメールの本文です。
左側資料参照の上お読みになってください。
配線図ですが、GS300(JZS160)のヨーロッパ仕様の配線図があったのですが、紛失してしまい、さんざん探した結果ようやく見つけ出しました。確認してみたところ、ディスチャージヘッドランプでないモデルは、レベライザーがマニュアル操作なので、基本的な配線は同じだと思います。
それで、リレーやコンピューターなどは使用しておらず、配線図を見る限りではいけそうな雰囲気です。
画像を添付しましたので、ご確認ください。配線図の見方は基本的に日本と同じです。
しかし、ここで一つ問題があります。
10系レクサスミラーコントロールスイッチは内装色別なのですが、実は後期モデルに関してはグレーやアイボリーなどのブラック以外の色は全てブラックに統一されていました。(前期はブラックがないためすべてグレーに統一)つまり、アイボリーで取り寄せても、ブラックが来てしまいます。一応、日本仕様のミラーコントロールスイッチも調べてみましたが、ほとんどグレーに統一され(ブラックがないため)同じような状態でした。
『この国内仕様のスイッチにかんしては私mitsuakiが身をもって経験済み(苦笑!!)』
ちなみにA仕様のフェンダーミラーの場合、ミラー格納スイッチと雨滴除去スイッチ(ワイヤレスロッも)がありませんが、ミラーコントロールスイッチそのものは南アフリカ仕様と共通です。そのため日本のミラーコントロールスイッチも日本に設定のないブラックに代替しています。A仕様にアイボリーはありませんが、アイボリーのスイッチもしっかりブラックに代替していました。
ジェニュインさんのこのページに関するお言葉
『HP拝見しました。しかし、マニアックなページですね。一般の方が画像を見て、文章を読んでもまず頭の中で理解するのは無理ではないかと思います。』
とのコメントいただきました。今後も応援いただくジェニュインさんにそう言ってもらえるとは光栄な限りでございます。
さあ~てと、だんだん面白くなってきましたね~価格の件は別として現実身をおびてきました。このパーツってマニアックすぎてしかも夜しかわからないし、同じEURヘッドとの差異が外観ではわかりにくい、ちょ~マアックな改良ですね!!
ジェニュインさんからのご報告パート2!!
ロービームの価格です。
ヘッドランプ(ロー) 片側1個\20,000
レベリングモーター 1個\14,000(2個必要)
アウターミラーコントロールスイッチ \7,000
納期は3~4週間といった所です。
レベリングスイッチ単品のパーツ設定はありません。
レベリングスイッチをミラー格納スイッチ部分に移植できるのかは不明です。
::
またまた、パーツショップジェニュインさんからの情報です。
10レクサス前期用ミラーコントロールスイッチ画像、裏表が写っているところがミソ!!
と言うことは・・・・そうなんです、ちゃんと在庫??いやストックされているのです。
しかしなんでこんな部品もっているんでしょうかね~、この画像みてビックリしたのは、
国内のはここのスイッチ類は全て単品で取り外しオッケーなのに、ミラースイッチと
キーレススイッチが一体とはね~10レクサス研究も奥が深いです!!
5/22パーツショップジェニュインさんから届いたスイッチ

ジェニュインさんから送られてきた貴重なサンプル
資料のドイツ仕様のミラースイッチ、なんと開けて
ビックリ!!
フォグスイッチとレベリングスイッチが透過式でバ
ルブが入ってました。『これはいける!!』
早速、分解好きの私はスイッチを完全にバラバラに
してみました。
以下各部分のスイッチのアップ画像の資料
皆さんの貴重なご意見お聞きしたいと思います。
スイッチ本体のアップです。
早くこのスイッチを稼動させたいものです。
分解してみてわかったのですが、このスイッチとは
別にコントローラーが存在しているような気が・・
以下の画像を見ていただいてお判りいただけるよう
に非常に単純なスイッチです。
バラバラのスイッチを組み立ててみましょう!!
::
::
::
::
::

ついでにミラースイッチも分解。
国内仕様はミラースイッチ単体で外れますが、
ドイツ仕様はキーレスエントリーキャンセル
スイッチと一体になっていました。
ちなみにミラースイッチ本体は国内と同じで
2色成形で裏から電気を当てれば微妙に透過
しています。

国内20系のミラースイッチとの比較。
左が10系用、右は20系用です。20系用は内部に
導光用のパーツが入っています。
マニアックな話しですが20系用は三角マーク部分
のみが透過成型でミラー文字は印刷。
10系は全ての文字や表示は2色成型です。

リアフォグ用スイッチです。
バルブ内臓がお判りいただけるとおもいます。
5/24 C.S_Oさんからのご意見!!
ミーティングルームに掲載のスイッチ、拝見しました。
やっぱり?思った通りの、アナログ接点でしたね、GSの配線図は、まったく役に立ちません…、しかし、配線図のH21コネクターは6Pで、4Pのみの使用、その内の2本は、B(電源)とG(グランド)、残りの2本だけで、いったいどんな制御が出来るんでしょう…?
それはさて置き、このスイッチは、10Pコネクターで9P使用ですね、そして、2本はイルミネーション専用で、端の1本がコモン端子ですね、残り6本は、切替接点のようですねえ……と、なると、モーターを直接ドライブするのは不可能?でしょう、何処かに必ず、ブラックBOX(コントローラー)があると思います。これは、ジェニュインさんの資料収集に掛けるしかないですね、きっとあの人なら、何らかの回答が出ると思いますよね。では、期待しておきます。
私もジェニュインさんからの資料収集なんとかならないかなと期待しております!! mitsuaki
5/26パーツショップジェニュインさんの情報によると・・・
パーツショップジェニュインさんから新たな資料到着!!
ヨーロッパ仕様LS400のリレー関係を調べてみましたが、一つだけ気になるリレーがありました。ライトリマインダーリレー(ヨーロッパ仕様のみ装備)というものですが、それが該当するものなのかどうかわかりません。ひょっとしてモーター側で制御しているかもしれません。その場合は、スイッチの各数字分だけモーターのコネクタピンがあることになると思います。
(何ピンあるかは分かりませんがちょっと考えがたいです)
GSのように3ピンだったら、もしかしたらインテグレーションリレーのようなもので、ほかの機能もまとめて制御しているかもしれません。(これもどうでしょう?)あと、あのスイッチは前期用なので、後期用はまた違うかもしれません。
(モーターは前期と後期で同じです。)配線図があれば完璧なんですが・・・。
現行エスティマのレベリング関係の配線図、と点検方法の資料を添付しましたので、参考にしてください。配線図を見る限りではGSとほぼ同じ感じですが、どうでしょう。モーター側が3ピンだったら、GSのレベリングスイッチを使えば、作動は可能のように思えます。UCF10の配線図は一応、あたっては見ますが、おそらくダメだと思います。日本でもそうですが、印刷物は増刷しないのでなくなったら終わりです。
レベリング部分のコピーだけでももらえるか聞いて見ます。
::::::::::::::::::::::::::::::::::::::::::
現行エスティマのレベリング関係配線図と点検方法の資料


::::::::::::::::::::::::::::::::::::::::::::
いつもながらのマニアックな資料には流石はジェニュインさんと感心させられます。
本文にもあった『ライトリマインダーリレー』って言うのが怪しいですね~、私も分解してみて思ったのですが、あのスイッチ単体では動作不可能だし、モーター側にそんなのコントロールするCPUとか内臓してたらびっくり。ここはジェニュインさんの10の配線図入手にかけてみましょう!!いつも貴重な資料ありがとうございます。
6/12パーツショップジェニュインさんの情報によると・・・
パーツショップジェニュインさんから新たな資料到着!!
とりあえず、配線図の画像を入手しました。イタリア語で説明してあるので、よくわかりませんが、絵を見た感じでは、モーター側で制御しており、スイッチはマイナス回路みたいですね。これならスイッチが接点タイプでも納得のような・・・。リレーは使ってないと思いますが、どうでしょう?モーターが7ピンなら完璧ですね。GSやエスティマの配線図はほとんど意味ないですね。スイッチの1番ピンはもともとありませんが、5番ピンはスイッチにはあるのに、不要なのかわかりませんが、なにも書いてありません。とりあえずそんなところです。
『誰かイタリア語わかる人~~いませんか??』
以下、送られてきた資料です(無理かなと言いつつ入手できてしまうのが凄い!!)
::::::::::::::::::::::::::::::::::::::::::::



::::::::::::::::::::::::::::::::::::::::::
ん~、なんとなくジェニュインさんのご意見納得!!
他の皆さんどう思います??
以前、LS400SPさんからの情報をいただいた時にブラックボックスの存在説があったのですが・・・・
C.S_Oさんアドバイス宜しく!!
mitsuaki
6/15 C.S_Oさんからのご意見!!
ヨーロッパ仕様のレベリングの件ですが、配線図で判断すれば、純アナログ制御?ですよねえ、モーターに連動したカム接点が、スイッチの接点を通り、コモン端子でアース落ちする事により、モーターユニットの2回路リレーのコイルに電気が流れ、リレー接点をONさせて、モーターがワンステップ回転すれば、連動しているカム接点が離れてリレー接点も離れ、電気が止まる訳ですね、う~ん…、面白い。『しかし、ジェニュインさんって凄い !!』
ン~マニアックな会話過ぎてちょっと・・・
でも素人判断でもかなりな可能性に期待が膨らみます。
mitsuaki
お気付きの点ありましたらmitsuakiまでよろしくお願いいたします。
皆様の声をHPに反映させていきますね!!

外装部品一覧
内装部品一覧
機能追加部品一覧
その他部品一覧
掲示板へ
オフレポート一覧へ
リンク一覧へ
更新履歴へ
メール作成へ