180系 クラウント ランクパネルオープナー

セルシオ機能をより充実するべく、C.S_Oさんに180系クラウンのトランクオープナーを
取り付けていただきました。このトランクオープナー取り付け関連記事はリンクを張って
いる『セルシオの独断的ファインチューニング』でC.S_Oさんの愛車改良レポート(30系
セルシオトランクオープナー取り付け)で紹介されて、当サイトでは取り付けに関するレ
ポートは割愛させていただきますのでご了承くださいm(_ _)m

手術前の写真です。赤丸部分に取り付け。
EURトランクでないと、スペースの関係上
10系では出来ない加工です(^^)

トランクの外装部品を取り外しテープで養生、
塗装部分の保護をしてあります。
赤丸部分がくり抜いた場所、となりの楕円の
穴はナンバー灯のものです。
ライセンスプレートランプカバーの比較画像。
C.S_Oさんのくり抜き作業、四隅角丸仕上げ
してあるんですよね~♪
いつもながらこだわりのイイお仕事です。
トランク作業していただいている間にトランク
オープナースイッチから1本後ろのスイッチに
枝割り配線を取出します。
※配線枝割りイメージ写真
手持ちのフラットケーブルを利用し予備配線も含め
ハーネスを自作しリヤまで通しました。
トランク全体のイメージはこんな感じ、あたかも純正!!
まるで最初から穴が空いていたの?なんて思ってしまう
位に全然違和感がありません。
オープナースイッチの取り付けブラケットの穴の間隔は、
なんと、EURトランクのライセンス灯のカバーのネジと
一緒で意外なジャストフィット(^^)
多くの方より配線方法の問い合わせが寄せられましたので、C.S_Oさんの解説と20系セルシオ配線図を
添付いたしますので参考にしてみてください。
トランクオープナー追加時の配線の概略はトランク内アクチュエーターの配線はさわらず、室内スイッチ側
から枝割りで貰ってくるだけです。
配線を枝割りしている様子のサイト掲載画像(間違った画像なんですがイメージとして)のように、室内の
ラゲージオープナースイッチ裏の2Pコネクターから1本だけ枝割りしてラゲージに増設したスイッチまで
繋ぎます増設スイッチの残りは近くにボディーアースまたは近くの白/黒線に繋ぎます。
理屈はMPXボディーコンピューターの17番端子をアース落としすることでラゲージドアロックモーターが
動作し、運転席のラゲージオープナースイッチを操作することによりMPXの17番端子をアースに落として
いる訳です。よって、この17番端子とオープナースイッチの間から枝割りした配線を違うところ(トランク
部分)でアース落ちさせれば良いと言う訳です。
しかし実際には17番端子とオープナースイッチの間にはオープナーキャンセルスイッチが割り込んでおり、
厳密に言うとキャンセルスイッチとオープナースイッチとの間から枝割りしなくてはなりません。
そうしないとキャンセルスイッチを無視して常時開いてしまうからです。(←ここ重要ポイント!)
残念なことにトヨタ配線図と車両の配線とが一致しておらず、まず車両の配線を配線図の状態に戻してから、
枝割り作業をする事になります。
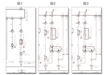
下記20系セルシオ配線図をご参照下さい。(画像クリックで拡大表示)
図1
2後期の配線図なのですが、オープナースイッチのみでキャンセルスイッチが省略されています。
図2
本来の配線図(配線図は正解です)となりますが、実際の車両ではオープナースイッチとキャンセ
ルスイッチの順番が逆になっていて、キャンセルスイッチがアース寄りになっています。
図3
枝割りする位置はスイッチの順番を配線図の順番に戻してからこの場所で枝割りするとOKです。
その為にはオープナーキャンセルスイッチの2Pコネクターの端子と、オープナースイッチの2P
コネクターの端子を差し替える必要があります。(どちらも、色付き側の配線を差し替える)差し
替えたキャンセルスイッチ側の2Pコネクター(車両の配線ではなくスイッチ側)の色付き線(白
/黒じゃない方)から枝割りし、トランクまで配線を引き込みます。
ラゲージ側に増設したスイッチの2Pの片方に引き込んできた配線を繋ぎ、もう一方はボディーア
ースまたは近くの白/黒線に接続すれば完成となります。
文章と配線図では理解しづらいかも知れませんが、コネクターの端子を差し替えるところがポイントです。
最後に、キー及びキーレス操作による施錠中はMPXボディーECUがラゲージオープン動作を禁止する
仕様になっているので、追加したオープナースイッチ及び室内の既存のスイッチは無効になります。
これは車両に標準採用されているセキュリティー機能で、このお陰で施錠時に開いてしまう心配は皆無。
キー及びキーレス操作による解錠後はボディーECUの禁止動作が解除されてオープスイッチが有効に
なりますのでトランクのセキュリティー対策も万全のスイッチとなります。
解説:C.S_Oさん

トランクオープナー取り付けポイントは、ただ開けるだけのスイッチではなくしっかりと
セキュリティー機能も持ち合わせているところで、車両に標準装備されている「セキュリ
ティー機能」を流用(キーリモコンによるドアロックを行った場合、ラゲージドアオープ
ンを禁止する機能)、この機能を流用することで、ドアロック時は新設したトランクオー
プナーを使ってトランクを開ける事が出来ません。また運転席足下のラゲージオープンキ
ャンセルボタンを押した場合も新設スイッチで開ける事が出来ないようになっています。
C.S_Oさんの計算されつくした機能追加には驚くばかりです。
●作業時間:トランク&ライセンスプレート加工(C.S_Oさんに依頼)
●取り付け難易度:ーーーーー
●満足度:★★★★★
●コメント
スイッチ新設によりキーが手元にない場合でも、トランクオープン可能となり非常に便利になりました。
10系の当時のカタログに『やりのこした事はない』的な感じの事書いていましたが、これは当時の技術
でも可能だったはず?だと思われます。C.S_Oさんの切り口の違う発想で非常に便利な機能を手にする
事ができました。ただし、このスイッチ上記でも書いたように10系の場合国内仕様のビッシリテールの
場合は取り付けは困難かと思われます。
取り付けいただいたC.S_Oさんいつもこだわりのあるイイお仕事ありがとうございます。感謝感謝(^^)

外装部品一覧
内装部品一覧
機能追加部品一覧
その他部品一覧
掲示板へ
オフレポート一覧へ
リンク一覧へ
更新履歴へ
メール作成へ